2024年北京市“政府信息公開工作年度報告”集中公開專題頁麵
依據《中華人民共和國政府信息公開條例》,按照政府信息公開工作年度報告有關格式要求,編製本報告。
一、總體情況
2024年,北京市政府信息公開工作認真貫徹落實《中華人民共和國政府信息公開條例》規定,按照關於做好新時代公開工作總體要求,緊緊圍繞市委市政府中心工作,認真把握新形勢新要求,依法辦理信息公開,積極開展政務公開,推動首都經濟社會高質量發展。
(一)加強公開工作統籌。製發年度工作要點,明確工作方向和具體任務。優化公開工作績效指標,嚴格落實考評機製。加強信息公開部門與各級機關、司法行政部門等的溝通,共同做好公開服務。簽訂京津冀政務公開協同發展框架協議,加強區域發展政策宣傳解讀。開展全市公開係統業務培訓,提升工作人員服務意識和業務水平。以信息化方式提升各類公開平台的信息發布效率,合理減少紙質信息材料印製數量。2024年,未發生責任追究事項。
(二)完善政府信息公開。依法辦理信息公開申請,不斷提升答複質量。協助做好行政複議、行政訴訟工作。做好審核政策性文件公開屬性和文件解讀工作,推動政府文件高效落實。高質量辦好市政府公報,全年出刊48期,匯集文件398份,印製紙質版同時,拓展網絡發布渠道。完成市政府信息公開場所與政務服務場所一體化改造升級。
(三)穩步開展政務公開。依法主動公開各類文件、政策以及有關情況信息。建成運行市政府政策服務平台。建設維護全市政策性文件庫。開展文字、動漫、音視頻、一圖讀懂、一問一答等多種形式的政策解讀。向企業推送政策。完善政策兌付功能。科學評估政策。著力打通政策落地“最後一公裏”。研究政策查重功能,助力行政效能提升。
(四)發揮政府網站平台作用。市政府門戶網站開展重點領域信息公開,推出城市重點活動、金融服務等專題專欄服務。開展市政府新聞發布會等各類直播和主題訪談。推出語音搜索,完善政策搜索服務。全新改版上線9語種北京國際版門戶網站,充分展現北京魅力、北京活力、北京機遇,累計匯聚500餘項政策、提供300餘項友好型辦事指南、集成20餘個場景化辦事功能,為外籍人士和外資企業提供一站式、全周期網上服務。依托國際版網站設立12345 online專區,拓展涉外訴求線上反饋渠道,為境內外外籍人士解決過境免簽、退稅辦理、辦理住宿登記等各類問題。
二、主動公開政府信息情況

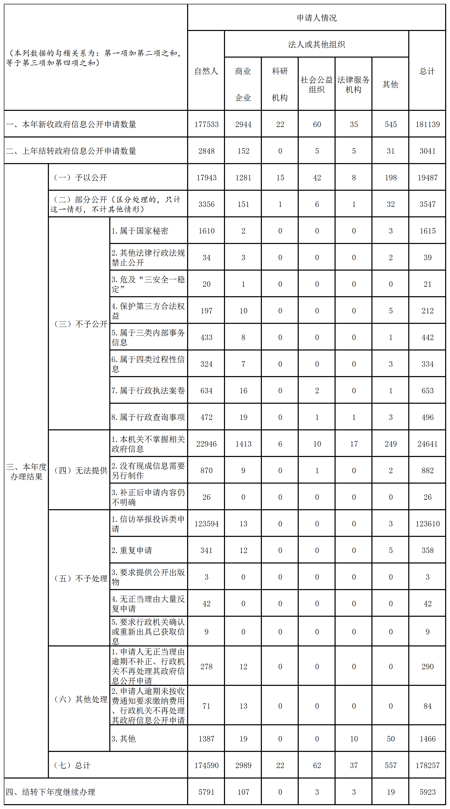
三、收到和處理政府信息公開申請情況

四、政府信息公開行政複議、行政訴訟情況

五、存在的主要問題及改進情況
主要問題:一是政府信息公開的辦件質量需進一步提升。二是政策匯聚、發布的效率需進一步提升。
針對上述問題,做了如下改進:一是開展業務培訓。堅持理論與實際相結合、法律規定與案例相結合,對全市公開係統工作人員進行集中培訓,提升工作人員綜合能力素質。二是開展績效管理。將公開有關重點工作納入政府績效體係,跟蹤問效,定期開展業務檢查和問題督查,年底進行綜合考評。三是加強政策規範運行。建設政策服務平台,集中匯聚管理政策,統一政策發布要求,推動政策運行效率提升。
六、其他需要報告的事項
根據國務院辦公廳《政府信息公開信息處理費管理辦法》(國辦函〔2020〕109號)和上級領導機關有關工作要求,2024年,全市依法依規收取信息處理費情況為:發出收費通知283件,應收總金額為932430元,實收總金額為131980元。
